YB不銹鋼壓力表
不銹鋼壓力表的零件采用耐腐蝕的不銹鋼及耐腐蝕的合金材料制成,使儀表具有******的耐腐蝕性能,可廣泛應用于石油、化工、礦山、機械、電力及食; 品行業。直接測量不結晶體,有腐蝕性的氣體、液體的壓力。本儀表的
Description
不銹鋼壓力表的零件采用耐腐蝕的不銹鋼及耐腐蝕的合金材料制成,使儀表具有******的耐腐蝕性能,可廣泛應用于石油、化工、礦山、機械、電力及食; 品行業。直接測量不結晶體,有腐蝕性的氣體、液體的壓力。
本儀表的整體結構設計合理、工藝精致,具有較高的測量準確度和持久的穩定性,因此不僅可提供出口,尤為國內用戶對引進國外技術裝備中的******儀表實現國產化的理想配套產品。
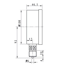
不銹鋼壓力表規格示意

不銹鋼壓力表技術參數
公稱直徑:Φ60 Φ100 Φ150
結構形式:徑向直接安裝式
接頭螺紋:M20x1.5
準確度等J:1.5 2.5
測量范圍:與一般壓力表的測量范圍相同
環境條件:溫度-40-70℃ 相對濕度≤85﹪
耐振等J:YBF為V.H.3 YBFN為V.H.4
材料:0Cr18Ni9Ti、1Cr18Ni9Ti、316等
外形尺寸


瀏覽:



